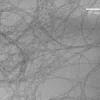
Описание:
Однослойная углеродная нанотрубка (ОУНТ) с преимущественным содержанием (7,6) хиральности, произведённая по запатентованной технологии CoMoCAT от НПО ЭкоТек. Диаметр трубок установлен методами спектроскопии оптического поглощения и атомно-силовой микроскопии. ОУНТ представляют собой цилиндрические структуры диаметром ~1 нм, обладающие уникальными электронными и механическими свойствами, которые определяются их хиральностью. Материал содержит ≥90% углеродной основы, причём ≥77% составляет непосредственно фракция нанотрубок со средним диаметром 0.83 нм.
Применение:
Однослойные углеродные нанотрубки (ОУНТ) относятся к перспективным углеродным материалам с выдающимися физико-химическими, термомеханическими и электрохимическими характеристиками. Применяются в различных областях устойчивой энергетики: солнечные элементы, фотокатализ, тонкоплёночные проводники, полевые транзисторы (FET), биосенсоры, газовые сенсоры, суперконденсаторы и наномеханические резонаторы. Подходят для покрытий в печатной электронике, фотоэлектрике и медицинских устройствах. ОУНТ с хиральностью (7,6) использовались при создании бакы-бумаг (buckypapers) — пористых электропроводящих мембран, выступающих носителями электрокатализаторов для окисления метанола. На подложках из полиметилметакрилата (ПММА) ОУНТ служат высокочувствительными преобразователями в микрофлюидных электрохимических сенсорах. Благодаря уникальной структуре, материал обеспечивает рекордную удельную поверхность и электропроводность при минимальном весе.



